Artikelname: PROTECTOR,2
Hersteller: Yamaha
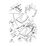
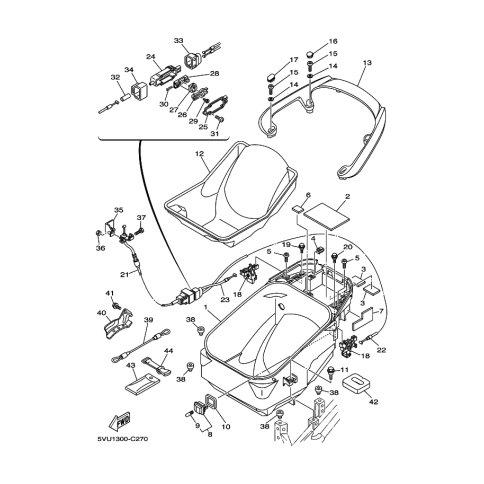
OEM Nummer: 5GJ-2476V-20 (5GJ2476V2000)
Kategorien: Sitzbank 2
2004
TMAX (XP500)
Yamaha Motor Co., Ltd.
YAMAHA MOTOR EUROPE N.V.
Hansemannstraße 12, 41468 Neuss
Postfach 21 06 53, 41432 Neuss
Deutschland
https://global.yamaha-motor.com/
https://www.yamaha-motor.eu/de