Artikelname: STUTZE (STUTZE)
Hersteller: Yamaha
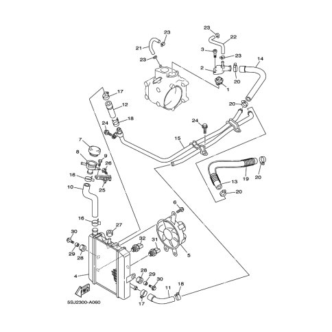
OEM Nummer: 5GM-12443-00 (5GM1244300)
Kategorien: Kuehler & Schlaeuche
2003
MAJESTY 250 ABS (YP250A)
MAJESTY 250 (YP250)
2002
MAJESTY 250 (YP250)
2001
MAJESTY 250 (YP250A)
MAJESTY 250 (YP250)
SKYLINER 250 (YP250)
2000
MAJESTY 250 (YP250)
SKYLINER 250 (YP250)
Yamaha Motor Co., Ltd.
YAMAHA MOTOR EUROPE N.V.
Hansemannstraße 12, 41468 Neuss
Postfach 21 06 53, 41432 Neuss
Deutschland
https://global.yamaha-motor.com/
https://www.yamaha-motor.eu/de