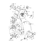
Artikelname: STUTZE (STUTZE)
Hersteller: Yamaha
OEM Nummer: 5GM-2472F-A0 (5GM2472FA0)
Kategorien: Allgemein
2003
MAJESTY 250 ABS (YP250A)
2001
MAJESTY 250 (YP250A)
Yamaha Motor Co., Ltd.
YAMAHA MOTOR EUROPE N.V.
Hansemannstraße 12, 41468 Neuss
Postfach 21 06 53, 41432 Neuss
Deutschland
https://global.yamaha-motor.com/
https://www.yamaha-motor.eu/de