Artikelname: ZYLINDER KOMPL. VORDERRADGA (CYLINDER COMP., FRONT FORK)
Hersteller: Yamaha
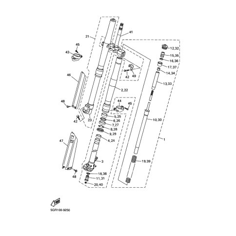
OEM Nummer: 5GR-23170-L0 (5GR23170L0)
Kategorien: Gabel
1999
YZ400F
Yamaha Motor Co., Ltd.
YAMAHA MOTOR EUROPE N.V.
Hansemannstraße 12, 41468 Neuss
Postfach 21 06 53, 41432 Neuss
Deutschland
https://global.yamaha-motor.com/
https://www.yamaha-motor.eu/de