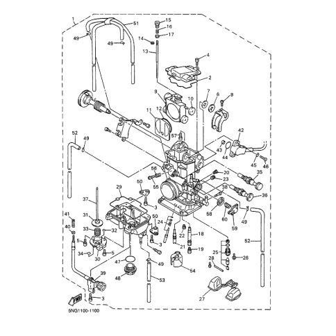
Artikelname: NADEL (NEEDLE (#DQR))
Hersteller: Yamaha
OEM Nummer: 5GS-14916-1R (5GS149161R)
Kategorien: Vergaser
2002
WR426F (WR426F)
2001
WR426F (WR426F)
Yamaha Motor Co., Ltd.
YAMAHA MOTOR EUROPE N.V.
Hansemannstraße 12, 41468 Neuss
Postfach 21 06 53, 41432 Neuss
Deutschland
https://global.yamaha-motor.com/
https://www.yamaha-motor.eu/de