Artikelname: OLPUMPENEINGEIT (OIL PUMP ASSY)
Hersteller: Yamaha
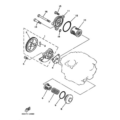
OEM Nummer: 5H0-13300-00 (5H01330000)
Kategorien: Ölpumpe
1998
SR125
1997
SR125
XT225WE
BRONCO (ST225)
1996
SEROW (XT225W)
1995
SEROW (XT225W)
1994
TW200E
1993
AG200E
XT225 (XT225)
SEROW (XT225W)
1991
TW200
XT125
1989
TW200E
1988
SR125
XT125
1987
SR125
SEROW (XT225)
TW200
1985
AG200
Yamaha Motor Co., Ltd.
YAMAHA MOTOR EUROPE N.V.
Hansemannstraße 12, 41468 Neuss
Postfach 21 06 53, 41432 Neuss
Deutschland
https://global.yamaha-motor.com/
https://www.yamaha-motor.eu/de