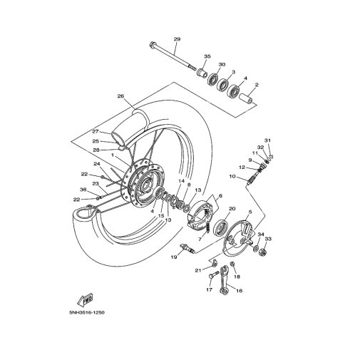
Artikelname: PLATTE, BREMSANKER (PLATE, BRAKE SHOE)
Hersteller: Yamaha
OEM Nummer: 5HH-25121-00 (5HH2512100)
Kategorien: Vorderrad
2001
YBR125E
Yamaha Motor Co., Ltd.
YAMAHA MOTOR EUROPE N.V.
Hansemannstraße 12, 41468 Neuss
Postfach 21 06 53, 41432 Neuss
Deutschland
https://global.yamaha-motor.com/
https://www.yamaha-motor.eu/de