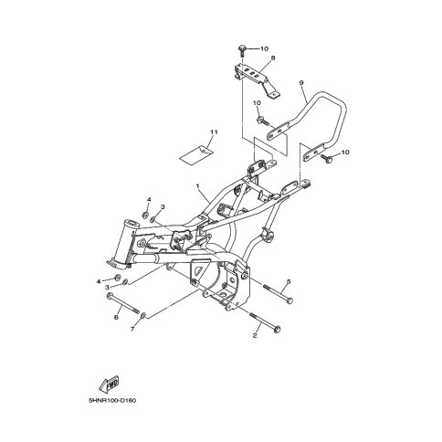
Artikelname: RAHMEN KOMPL (FRAME COMP)
Hersteller: Yamaha
OEM Nummer: 5HN-21110-20 (5HN2111020)
Kategorien: Rahmen
2007
TT-R90 (TT-R90)
2006
TT-R90 (TT-R90)
Yamaha Motor Co., Ltd.
YAMAHA MOTOR EUROPE N.V.
Hansemannstraße 12, 41468 Neuss
Postfach 21 06 53, 41432 Neuss
Deutschland
https://global.yamaha-motor.com/
https://www.yamaha-motor.eu/de