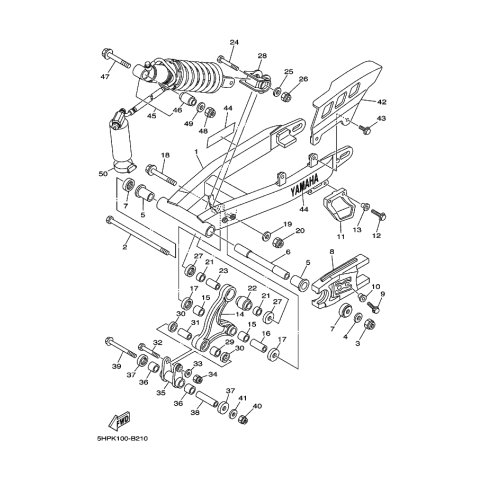
Artikelname: SCHUTZDICHTUNG (SEAL, GUARD)
Hersteller: Yamaha
OEM Nummer: 5HP-22151-10 (5HP2215110)
Kategorien: Schwinge & Federung
2004
TT-R125LWE (TT-R125LWE)
2003
TT-R125LWE (TT-R125LWE)
Yamaha Motor Co., Ltd.
YAMAHA MOTOR EUROPE N.V.
Hansemannstraße 12, 41468 Neuss
Postfach 21 06 53, 41432 Neuss
Deutschland
https://global.yamaha-motor.com/
https://www.yamaha-motor.eu/de