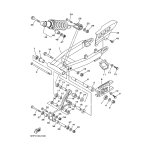
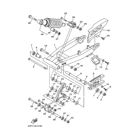
Artikelname: STOSSDAMPFEREINHEIT, HINTEN (SHOCK ABSORBER ASSY, REAR)
Hersteller: Yamaha
OEM Nummer: 5HP-22210-30 (5HP2221030)
Kategorien: Heck & Federung
2002
TT-R125 (TT-R125)
2001
TT-R125 (TT-R125)
2000
TT-R125 (TT-R125)
Yamaha Motor Co., Ltd.
YAMAHA MOTOR EUROPE N.V.
Hansemannstraße 12, 41468 Neuss
Postfach 21 06 53, 41432 Neuss
Deutschland
https://global.yamaha-motor.com/
https://www.yamaha-motor.eu/de