Artikelname: SIGNALHORN (AVERTISSEUR)
Hersteller: Yamaha
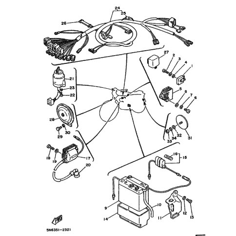
OEM Nummer: 5J0-83371-10 (5J08337110)
Kategorien: Elektrik 1
1986
DT50E
Yamaha Motor Co., Ltd.
YAMAHA MOTOR EUROPE N.V.
Hansemannstraße 12, 41468 Neuss
Postfach 21 06 53, 41432 Neuss
Deutschland
https://global.yamaha-motor.com/
https://www.yamaha-motor.eu/de