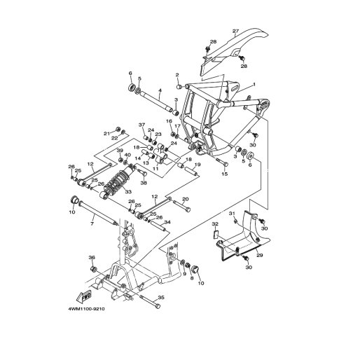
Artikelname: STOSSDAMPFEREINHEIT, HINTEN (SHOCK ABSORBER ASSY, REAR)
Hersteller: Yamaha
OEM Nummer: 5JA-22210-00 (5JA2221000)
Kategorien: Heck & Federung
2002
WILD STAR (XV1600A)
2001
WILD STAR (XV1600A)
2000
WILD STAR (XV1600A)
1999
Wild Star (XV1600A)
Yamaha Motor Co., Ltd.
YAMAHA MOTOR EUROPE N.V.
Hansemannstraße 12, 41468 Neuss
Postfach 21 06 53, 41432 Neuss
Deutschland
https://global.yamaha-motor.com/
https://www.yamaha-motor.eu/de