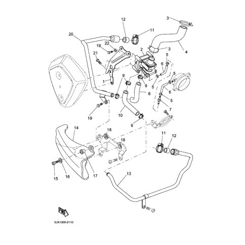
Artikelname: SCHLAUCH, UNTERDRUCKSENSOR (HOSE, VACUUM SENSING 1)
Hersteller: Yamaha
OEM Nummer: 5JN-E3542-00 (5JNE354200)
Kategorien: Ais, Auspuff
2006
BULLDOG (BT1100)
2005
BULLDOG (BT1100)
2004
BULLDOG (BT1100)
2003
BULLDOG (BT1100)
2002
BULLDOG (BT1100)
Yamaha Motor Co., Ltd.
YAMAHA MOTOR EUROPE N.V.
Hansemannstraße 12, 41468 Neuss
Postfach 21 06 53, 41432 Neuss
Deutschland
https://global.yamaha-motor.com/
https://www.yamaha-motor.eu/de