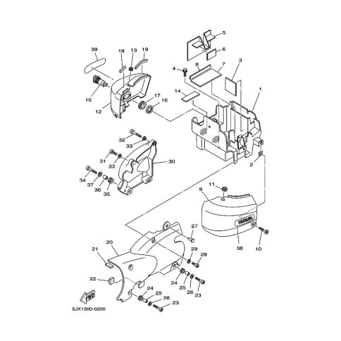
Artikelname: DICHTUNG 2 (SEAL 2)
Hersteller: Yamaha
OEM Nummer: 5JX-21735-00 (5JX2173500)
Kategorien: Seitendeckel, Tank, Seitenabdeckung, Treibstofftank
2004
DRAGSTAR 125 (XVS125)
DRAGSTAR 250 (XVS250)
2002
DRAGSTAR 250 (XVS250)
DRAGSTAR 125 (XVS125)
2001
DRAGSTAR 125 (XVS125)
DRAGSTAR 250 (XVS250)
2000
DRAGSTAR 250 (XVS250)
DRAGSTAR 125 (XVS125)
Yamaha Motor Co., Ltd.
YAMAHA MOTOR EUROPE N.V.
Hansemannstraße 12, 41468 Neuss
Postfach 21 06 53, 41432 Neuss
Deutschland
https://global.yamaha-motor.com/
https://www.yamaha-motor.eu/de