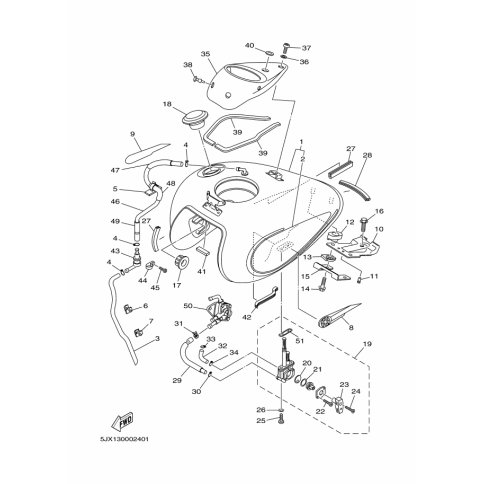
Artikelname: ROHR 3 (PIPE 3)
Hersteller: Yamaha
OEM Nummer: 5JX-24313-00 (5JX2431300)
Kategorien: Tank
2000
DRAGSTAR 125 (XVS125)
Yamaha Motor Co., Ltd.
YAMAHA MOTOR EUROPE N.V.
Hansemannstraße 12, 41468 Neuss
Postfach 21 06 53, 41432 Neuss
Deutschland
https://global.yamaha-motor.com/
https://www.yamaha-motor.eu/de