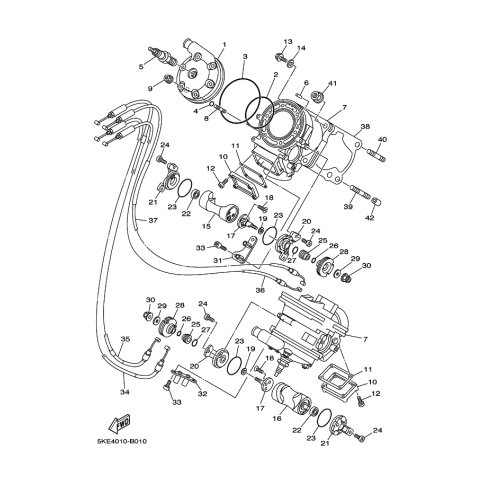
Artikelname: VALVE ASSY
Hersteller: Yamaha
OEM Nummer: 5KE-1131D-10 (5KE1131D10)
Kategorien: Zylinderkopf
2003
TZ250
Yamaha Motor Co., Ltd.
YAMAHA MOTOR EUROPE N.V.
Hansemannstraße 12, 41468 Neuss
Postfach 21 06 53, 41432 Neuss
Deutschland
https://global.yamaha-motor.com/
https://www.yamaha-motor.eu/de