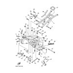
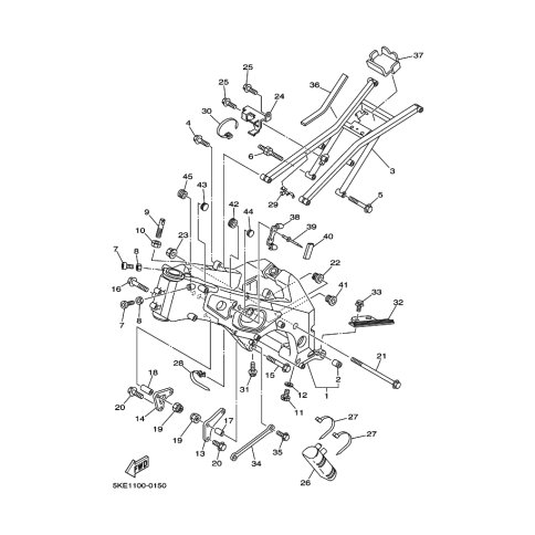
Artikelname: KONSOLE, MOTOR 2 (BRACKET, ENGINE 2)
Hersteller: Yamaha
OEM Nummer: 5KE-21419-00 (5KE2141900)
Kategorien: Rahmen
2003
TZ250
2002
TZ250
2001
TZ250
2000
TZ250
Yamaha Motor Co., Ltd.
YAMAHA MOTOR EUROPE N.V.
Hansemannstraße 12, 41468 Neuss
Postfach 21 06 53, 41432 Neuss
Deutschland
https://global.yamaha-motor.com/
https://www.yamaha-motor.eu/de