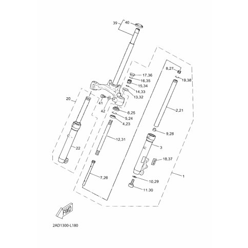
Artikelname: ZYLINDER KOMPL. VORDERRADGA (CYLINDER COMP., FRONT FORK)
Hersteller: Yamaha
OEM Nummer: 5KK-F3170-20 (5KKF317020)
Kategorien: Gabel, Gabel 1
2012
JOG R (CS50)
JOG RR (CS50Z)
2011
NEO'S 4 UBS (YN50F)
JOG RR (CS50Z)
NEO'S (YN50)
JOG R (CS50)
2010
NEO'S (YN50)
NEO'S 4 (YN50F)
JOG R (CS50)
2009
NEO'S 4 (YN50F)
JOG R (CS50)
NEO'S (YN50)
JOG RR (CS50Z)
2008
OVETTO (YN50)
JOG R (CS50Z)
JOG R (CS50)
JOG RR (CS50Z)
NEO'S (YN50)
2007
JOG R (CS50)
JOG R (CS50Z)
JOG RR (CS50Z)
2006
JOG RR (CS50Z)
OVETTO (YN50)
NEO'S (YN50)
JOG R (CS50)
MACH G LC (CS50Z)
MACH G AC (CS50)
2005
MACH G LC (CS50Z)
JOG R (CS50)
NEO'S (YN50)
MACH G AC (CS50)
JOG RR (CS50Z)
2004
MACH G AC (CS50)
NEO'S (YN50)
JOG R (CS50)
JOG RR (CS50Z)
OVETTO (YN50)
MACH G LC (CS50Z)
2003
OVETTO 100 (YN100)
NEO'S (YN50)
NEO'S 100 (YN100)
JOG RR (CS50Z)
OVETTO (YN50)
MACH G AC (CS50)
MACH G LC (CS50Z)
2002
OVETTO (YN50)
NEO'S (YN50)
JOG R (CS50)
MACH G AC (CS50)
JOG RR (CS50Z)
MACH G LC (CS50Z)
Yamaha Motor Co., Ltd.
YAMAHA MOTOR EUROPE N.V.
Hansemannstraße 12, 41468 Neuss
Postfach 21 06 53, 41432 Neuss
Deutschland
https://global.yamaha-motor.com/
https://www.yamaha-motor.eu/de