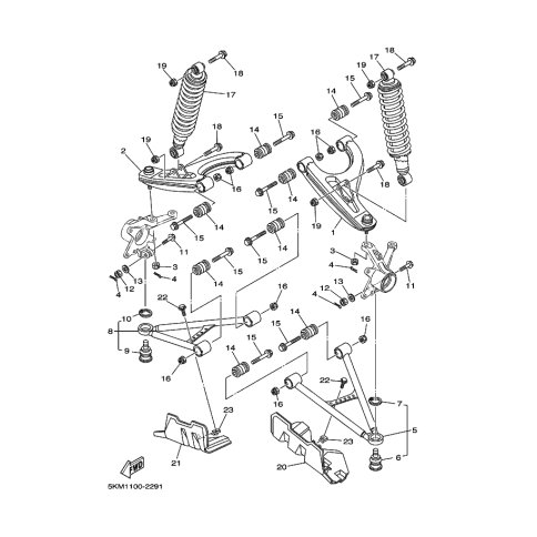
Artikelname: STOSSDAMPFEREINHEIT (SHOCK ABSORBER ASSY)
Hersteller: Yamaha
OEM Nummer: 5KM-23350-10 (5KM2335010)
Kategorien: Federung & Rad
2002
GRIZZLY 660 (YFM660FWA)
Yamaha Motor Co., Ltd.
YAMAHA MOTOR EUROPE N.V.
Hansemannstraße 12, 41468 Neuss
Postfach 21 06 53, 41432 Neuss
Deutschland
https://global.yamaha-motor.com/
https://www.yamaha-motor.eu/de