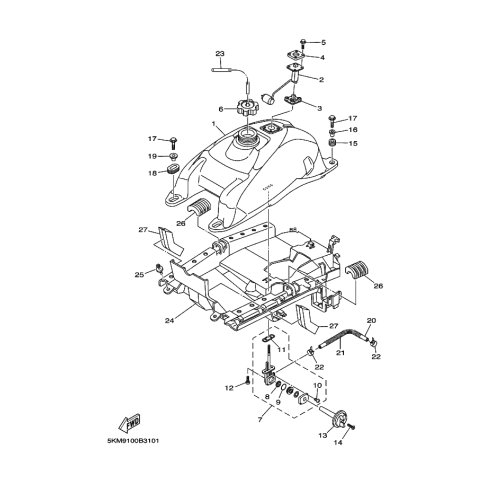
Artikelname: SCHUTZ, ROHR (PROTECTOR, PIPE)
Hersteller: Yamaha
OEM Nummer: 5KM-24327-00 (5KM2432700)
Kategorien: Tank
2003
GRIZZLY 660 (YFM660FWA)
Yamaha Motor Co., Ltd.
YAMAHA MOTOR EUROPE N.V.
Hansemannstraße 12, 41468 Neuss
Postfach 21 06 53, 41432 Neuss
Deutschland
https://global.yamaha-motor.com/
https://www.yamaha-motor.eu/de