Artikelname: MANUAL,OWNERS
Hersteller: Yamaha
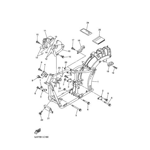
OEM Nummer: 5KR-28199-H2 (5KR28199H2)
Kategorien: Rahmen
2004
DRAGSTAR 250 (XVS250)
Yamaha Motor Co., Ltd.
YAMAHA MOTOR EUROPE N.V.
Hansemannstraße 12, 41468 Neuss
Postfach 21 06 53, 41432 Neuss
Deutschland
https://global.yamaha-motor.com/
https://www.yamaha-motor.eu/de