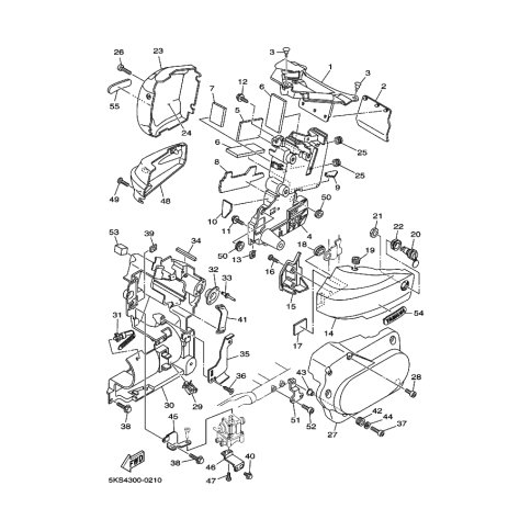
Artikelname: SEITENDECKEL 1 (COVER,SIDE 1)
Hersteller: Yamaha
OEM Nummer: 5KS-21711-00-33 (5KS217110033)
Kategorien: Seitenabdeckung, Seitendeckel
2004
DRAGSTAR 1100 CLASSIC (XVS1100A)
2003
DRAGSTAR 1100 CLASSIC (XVS1100A)
2002
DRAGSTAR 1100 CLASSIC (XVS1100A)
2001
DRAGSTAR 1100 CLASSIC (XVS1100A)
2000
DRAGSTAR 1100 CLASSIC (XVS1100A)
Yamaha Motor Co., Ltd.
YAMAHA MOTOR EUROPE N.V.
Hansemannstraße 12, 41468 Neuss
Postfach 21 06 53, 41432 Neuss
Deutschland
https://global.yamaha-motor.com/
https://www.yamaha-motor.eu/de