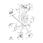
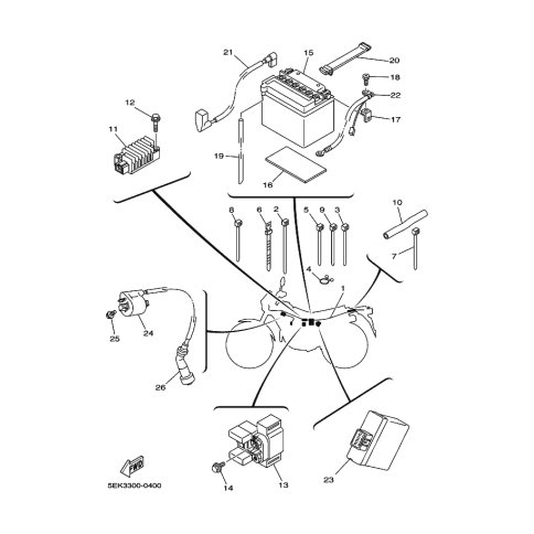
Artikelname: TERMINAL (TERMINAL)
Hersteller: Yamaha
OEM Nummer: 5LB-8215C-00 (5LB8215C00)
Kategorien: Elektrik 1, Allgemein
2002
TW225E
2001
TW125 (TW125)
TW125
Yamaha Motor Co., Ltd.
YAMAHA MOTOR EUROPE N.V.
Hansemannstraße 12, 41468 Neuss
Postfach 21 06 53, 41432 Neuss
Deutschland
https://global.yamaha-motor.com/
https://www.yamaha-motor.eu/de