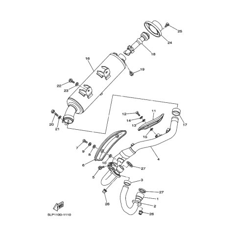
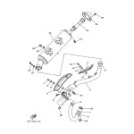
Artikelname: SCHUTZ, AUSPUFFROHR (PROTECTOR, EXHAUST PIPE)
Hersteller: Yamaha
OEM Nummer: 5LP-14628-00 (5LP1462800)
Kategorien: Auspuff
2005
YFM660R
2004
YFM660R
2003
YFM660R
2002
YFM660R
2001
YFM660R
Yamaha Motor Co., Ltd.
YAMAHA MOTOR EUROPE N.V.
Hansemannstraße 12, 41468 Neuss
Postfach 21 06 53, 41432 Neuss
Deutschland
https://global.yamaha-motor.com/
https://www.yamaha-motor.eu/de