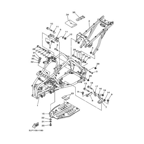
Artikelname: RAHMEN KOMPL. 2 (FRONT FRAME COMP)
Hersteller: Yamaha
OEM Nummer: 5LP-21101-09 (5LP2110109)
Kategorien: Rahmen
2001
YFM660R
Yamaha Motor Co., Ltd.
YAMAHA MOTOR EUROPE N.V.
Hansemannstraße 12, 41468 Neuss
Postfach 21 06 53, 41432 Neuss
Deutschland
https://global.yamaha-motor.com/
https://www.yamaha-motor.eu/de