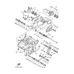
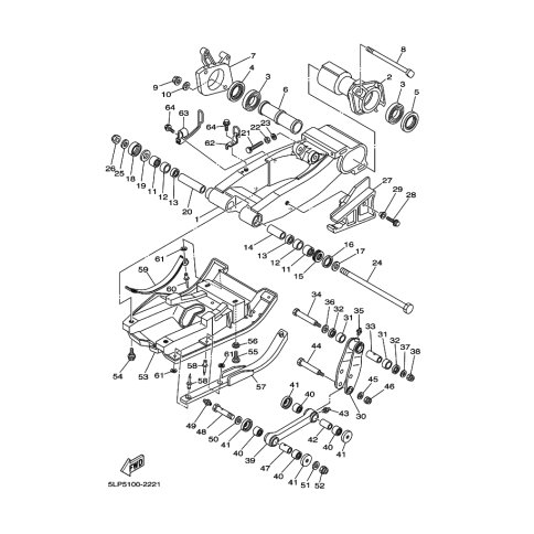
Artikelname: VERBINDUNGSSTANGE 1 (ROD, CONNECTING 1)
Hersteller: Yamaha
OEM Nummer: 5LP-2217F-10 (5LP2217F10)
Kategorien: Heck
2005
YFM660R
2004
YFM660R
2003
YFM660R
2002
YFM660R
Yamaha Motor Co., Ltd.
YAMAHA MOTOR EUROPE N.V.
Hansemannstraße 12, 41468 Neuss
Postfach 21 06 53, 41432 Neuss
Deutschland
https://global.yamaha-motor.com/
https://www.yamaha-motor.eu/de