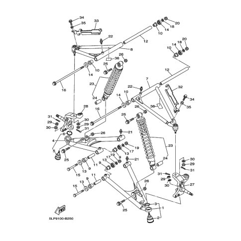
Artikelname: STOSSDAMPFEREINHEIT (SHOCK ABSORBER ASSY)
Hersteller: Yamaha
OEM Nummer: 5LP-23350-30 (5LP2335030)
Kategorien: Federung & Rad
2003
YFM660R
Yamaha Motor Co., Ltd.
YAMAHA MOTOR EUROPE N.V.
Hansemannstraße 12, 41468 Neuss
Postfach 21 06 53, 41432 Neuss
Deutschland
https://global.yamaha-motor.com/
https://www.yamaha-motor.eu/de