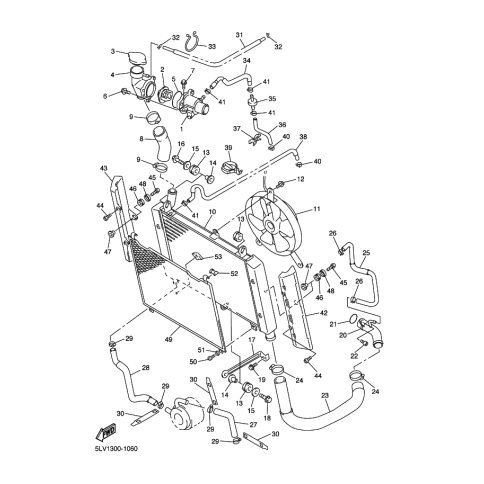
Artikelname: KÜHLERABDECKUNG 1 (RADIATOR COVER ASSY1)
Hersteller: Yamaha
OEM Nummer: 5LV-1240J-00 (5LV1240J00)
Kategorien: Kühler & Schlauch, Kuehler & Schlaeuche
2005
FZ1 (FZS1000)
FAZER (FZS1000)
FAZER (FZS1000S)
2004
FAZER (FZS1000)
FAZER (FZS1000S)
2003
FAZER (FZS1000)
FAZER (FZS1000S)
2002
FAZER (FZS1000)
2001
FAZER (FZS1000)
Yamaha Motor Co., Ltd.
YAMAHA MOTOR EUROPE N.V.
Hansemannstraße 12, 41468 Neuss
Postfach 21 06 53, 41432 Neuss
Deutschland
https://global.yamaha-motor.com/
https://www.yamaha-motor.eu/de