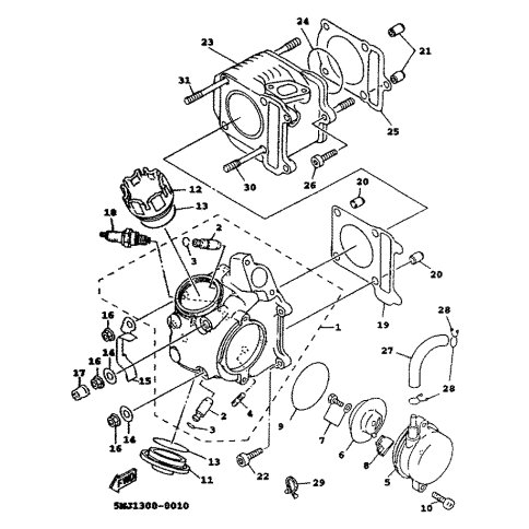
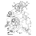
Artikelname: ZYLINDERKOPF (CYLINDER HEAD ASSY)
Hersteller: Yamaha
OEM Nummer: 5MJ-E1102-00 (5MJE110200)
Kategorien: Zylinderkopf
2000
FLAME (XC125A)
Yamaha Motor Co., Ltd.
YAMAHA MOTOR EUROPE N.V.
Hansemannstraße 12, 41468 Neuss
Postfach 21 06 53, 41432 Neuss
Deutschland
https://global.yamaha-motor.com/
https://www.yamaha-motor.eu/de