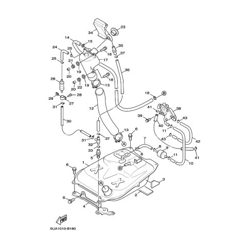
Artikelname: SCHLAUCH (HOSE)
Hersteller: Yamaha
OEM Nummer: 5ML-E4294-20 (5MLE429420)
Kategorien: Tank
2005
FLAME X (XC125)
CYGNUS (XC125)
Yamaha Motor Co., Ltd.
YAMAHA MOTOR EUROPE N.V.
Hansemannstraße 12, 41468 Neuss
Postfach 21 06 53, 41432 Neuss
Deutschland
https://global.yamaha-motor.com/
https://www.yamaha-motor.eu/de