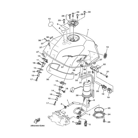
Artikelname: FUEL TANK COMP
Hersteller: Yamaha
OEM Nummer: 5PS-YK241-10-P1 (5PSYK24110P1)
Kategorien: Tank
2009
TDM900A (TDM900A)
TDM900 (TDM900)
2008
TDM900 (TDM900)
TDM900A (TDM900A)
2003
TDM900 (TDM900)
Yamaha Motor Co., Ltd.
YAMAHA MOTOR EUROPE N.V.
Hansemannstraße 12, 41468 Neuss
Postfach 21 06 53, 41432 Neuss
Deutschland
https://global.yamaha-motor.com/
https://www.yamaha-motor.eu/de