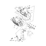
Artikelname: KUHLER (RADIATOR ASSY)
Hersteller: Yamaha
OEM Nummer: 5R2-12460-01 (5R21246001)
Kategorien: Kühlerschlauch
1985
RZ50
Yamaha Motor Co., Ltd.
YAMAHA MOTOR EUROPE N.V.
Hansemannstraße 12, 41468 Neuss
Postfach 21 06 53, 41432 Neuss
Deutschland
https://global.yamaha-motor.com/
https://www.yamaha-motor.eu/de