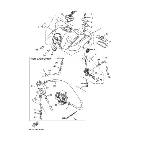
Artikelname: FUEL TANK COMP
Hersteller: Yamaha
OEM Nummer: 5RS-Y2410-10-01 (5RSY24101001)
Kategorien: Tank
2003
TW200E TW200R
Yamaha Motor Co., Ltd.
YAMAHA MOTOR EUROPE N.V.
Hansemannstraße 12, 41468 Neuss
Postfach 21 06 53, 41432 Neuss
Deutschland
https://global.yamaha-motor.com/
https://www.yamaha-motor.eu/de