Artikelname: VERBINDUNG (JOINT)
Hersteller: Yamaha
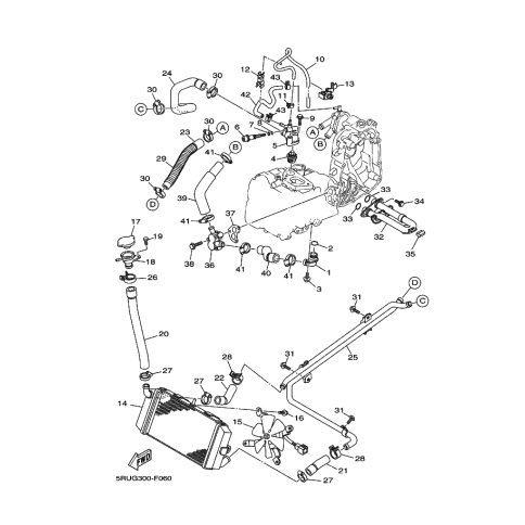
OEM Nummer: 5RU-12446-10 (5RU1244610)
Kategorien: Kühler & Schlauch
2008
MAJESTY 400 (YP400)
MAJESTY 400 ABS (YP400A)
2007
MAJESTY 400 (YP400)
MAJESTY 400 ABS (YP400A)
Yamaha Motor Co., Ltd.
YAMAHA MOTOR EUROPE N.V.
Hansemannstraße 12, 41468 Neuss
Postfach 21 06 53, 41432 Neuss
Deutschland
https://global.yamaha-motor.com/
https://www.yamaha-motor.eu/de