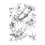
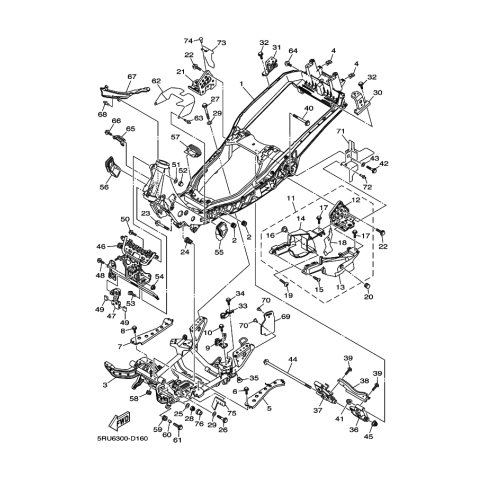
Artikelname: KONSOLE, SITZ 2 (BRACKET, SEAT 2)
Hersteller: Yamaha
OEM Nummer: 5RU-21342-00 (5RU2134200)
Kategorien: Rahmen
2006
MAJESTY 400 (YP400)
2005
MAJESTY 400 (YP400)
2004
MAJESTY 400 (YP400)
Yamaha Motor Co., Ltd.
YAMAHA MOTOR EUROPE N.V.
Hansemannstraße 12, 41468 Neuss
Postfach 21 06 53, 41432 Neuss
Deutschland
https://global.yamaha-motor.com/
https://www.yamaha-motor.eu/de