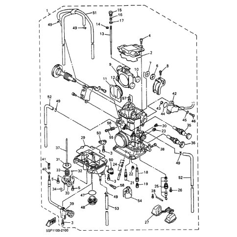
Artikelname: VERGASEREINHEIT 1 (CARBURETOR ASSY 1)
Hersteller: Yamaha
OEM Nummer: 5SF-14101-00 (5SF1410100)
Kategorien: Vergaser
2002
YZ426F (YZ426F)
Yamaha Motor Co., Ltd.
YAMAHA MOTOR EUROPE N.V.
Hansemannstraße 12, 41468 Neuss
Postfach 21 06 53, 41432 Neuss
Deutschland
https://global.yamaha-motor.com/
https://www.yamaha-motor.eu/de