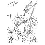
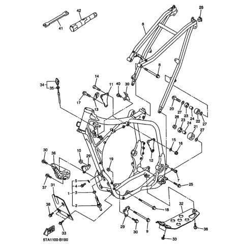
Artikelname: FUHRUNG, MOTOR 1 (GUARD, ENGINE 1)
Hersteller: Yamaha
OEM Nummer: 5TA-2147A-00 (5TA2147A00)
Kategorien: Rahmen
2006
WR450F (WR450F)
2005
WR450F (WR450F)
YZ450F (YZ450F)
2004
YZ450F (YZ450F)
WR450F (WR450F)
2003
YZ450F (YZ450F)
WR450F (WR450F)
Yamaha Motor Co., Ltd.
YAMAHA MOTOR EUROPE N.V.
Hansemannstraße 12, 41468 Neuss
Postfach 21 06 53, 41432 Neuss
Deutschland
https://global.yamaha-motor.com/
https://www.yamaha-motor.eu/de