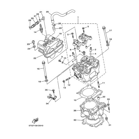
Artikelname: ZYLINDERKOPF (CYLINDER HEAD ASSY)
Hersteller: Yamaha
OEM Nummer: 5TG-11102-00 (5TG1110200)
Kategorien: Zylinder
2005
YFZ450 (YFZ450)
Yamaha Motor Co., Ltd.
YAMAHA MOTOR EUROPE N.V.
Hansemannstraße 12, 41468 Neuss
Postfach 21 06 53, 41432 Neuss
Deutschland
https://global.yamaha-motor.com/
https://www.yamaha-motor.eu/de