Artikelname: HINTERRAHMEN KOMPL (REAR FRAME COMP. (RED))
Hersteller: Yamaha
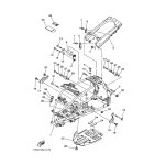
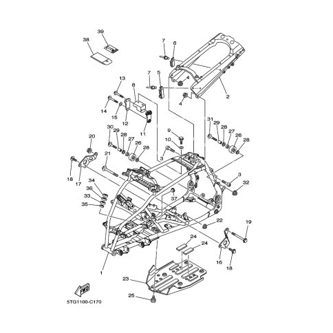
OEM Nummer: 5TG-21190-19 (5TG2119019)
Kategorien: Rahmen
2007
YFZ450 (YFZ450)
2005
YFZ450 (YFZ450)
Yamaha Motor Co., Ltd.
YAMAHA MOTOR EUROPE N.V.
Hansemannstraße 12, 41468 Neuss
Postfach 21 06 53, 41432 Neuss
Deutschland
https://global.yamaha-motor.com/
https://www.yamaha-motor.eu/de