Artikelname: GLEICHRICHTER & SPANNUNGSR (RECTIFIER & REGULATOR ASSY)
Hersteller: Yamaha
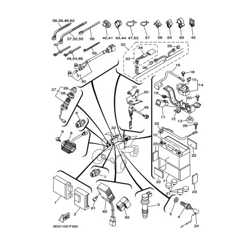
OEM Nummer: 5TG-81960-00 (5TG8196000)
Kategorien: Elektrik 1
2009
YFZ450 (YFZ450)
2008
YFZ450 (YFZ450)
2007
YFZ450 (YFZ450)
2006
YFZ450 (YFZ450)
2005
YFZ450 (YFZ450)
2004
YFZ450 (YFZ450)
Yamaha Motor Co., Ltd.
YAMAHA MOTOR EUROPE N.V.
Hansemannstraße 12, 41468 Neuss
Postfach 21 06 53, 41432 Neuss
Deutschland
https://global.yamaha-motor.com/
https://www.yamaha-motor.eu/de