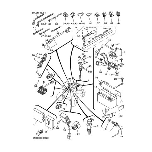
Artikelname: KABELBAUM KOMPL (WIRE HARNESS ASSY)
Hersteller: Yamaha
OEM Nummer: 5TG-82590-10 (5TG8259010)
Kategorien: Elektrik 1
2006
YFZ450 (YFZ450)
Yamaha Motor Co., Ltd.
YAMAHA MOTOR EUROPE N.V.
Hansemannstraße 12, 41468 Neuss
Postfach 21 06 53, 41432 Neuss
Deutschland
https://global.yamaha-motor.com/
https://www.yamaha-motor.eu/de