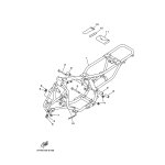
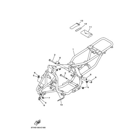
Artikelname: RAHMEN KOMPL (FRAME COMP)
Hersteller: Yamaha
OEM Nummer: 5TH-21110-20 (5TH2111020)
Kategorien: Rahmen
2008
YFM80 (YFM80W)
2007
YFM80 (YFM80W)
2006
YFM80 (YFM80W)
Yamaha Motor Co., Ltd.
YAMAHA MOTOR EUROPE N.V.
Hansemannstraße 12, 41468 Neuss
Postfach 21 06 53, 41432 Neuss
Deutschland
https://global.yamaha-motor.com/
https://www.yamaha-motor.eu/de