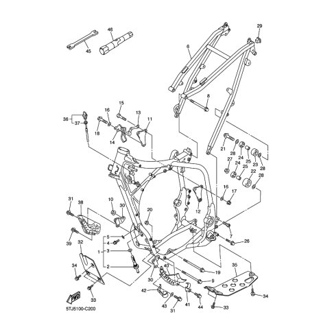
Artikelname: HINTERRAHMEN KOMPL (REAR FRAME COMP)
Hersteller: Yamaha
OEM Nummer: 5TJ-21190-50 (5TJ2119050)
Kategorien: Rahmen
2004
WR450F (WR450F)
WR250F (WR250F)
Yamaha Motor Co., Ltd.
YAMAHA MOTOR EUROPE N.V.
Hansemannstraße 12, 41468 Neuss
Postfach 21 06 53, 41432 Neuss
Deutschland
https://global.yamaha-motor.com/
https://www.yamaha-motor.eu/de