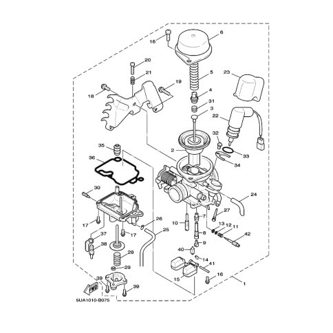
Artikelname: KALTSTARTER-TAUCHKOLBENSATZ (PLUNGER STARTER ASSY)
Hersteller: Yamaha
OEM Nummer: 5UA-E4370-00 (5UAE437000)
Kategorien: Vergaser
2005
CYGNUS X (XC125)
FLAME X (XC125)
2004
FLAME X (NXC125)
Yamaha Motor Co., Ltd.
YAMAHA MOTOR EUROPE N.V.
Hansemannstraße 12, 41468 Neuss
Postfach 21 06 53, 41432 Neuss
Deutschland
https://global.yamaha-motor.com/
https://www.yamaha-motor.eu/de