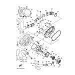
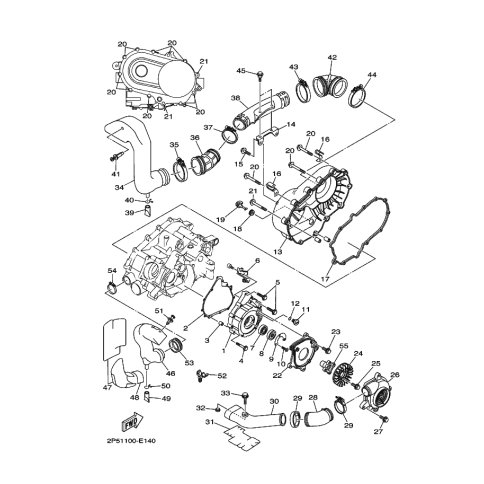
Artikelname: LUFTVERKLEIDUNG, ZYLINDER 3 (AIR SHROUD, CYLINDER 3)
Hersteller: Yamaha
OEM Nummer: 5UG-12653-00 (5UG1265300)
Kategorien: Kurbelgehäusedeckel
2007
RHINO 660 (YXR660F)
2006
RHINO 660 (YXR660F)
RHINO 450 (YXR450F)
2005
RHINO 660 (YXR660F)
2004
RHINO 660 (YXR660F)
Yamaha Motor Co., Ltd.
YAMAHA MOTOR EUROPE N.V.
Hansemannstraße 12, 41468 Neuss
Postfach 21 06 53, 41432 Neuss
Deutschland
https://global.yamaha-motor.com/
https://www.yamaha-motor.eu/de