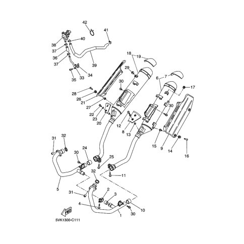
Artikelname: ROHR 1 (PIPE 1)
Hersteller: Yamaha
OEM Nummer: 5VK-14871-01 (5VK1487101)
Kategorien: Auspuff
2005
XT660R (XT660R)
XT660X (XT660X)
2004
XT660R (XT660R)
XT660X (XT660X)
Yamaha Motor Co., Ltd.
YAMAHA MOTOR EUROPE N.V.
Hansemannstraße 12, 41468 Neuss
Postfach 21 06 53, 41432 Neuss
Deutschland
https://global.yamaha-motor.com/
https://www.yamaha-motor.eu/de