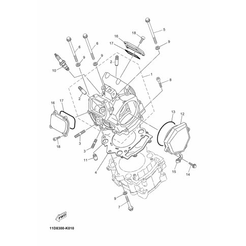
Artikelname: ZYLINDERKOPF (CYLINDER HEAD ASSY)
Hersteller: Yamaha
OEM Nummer: 5VK-E1101-02 (5VKE110102)
Kategorien: Zylinderkopf
2015
XT660Z (XT660Z)
XT660Z ABS (XT660ZA)
2014
XT660X (XT660X)
XT660R (XT660R)
2013
XT660Z ABS (XT660ZA)
XT660Z (XT660Z)
2012
XT660Z ABS (XT660ZA)
XT660Z (XT660Z)
MT-03 (660CC) (MT03)
2011
MT-03 (660CC) (MT03)
XT660Z ABS (XT660ZA)
XT660X (XT660X)
XT660R (XT660R)
XT660Z (XT660Z)
Yamaha Motor Co., Ltd.
YAMAHA MOTOR EUROPE N.V.
Hansemannstraße 12, 41468 Neuss
Postfach 21 06 53, 41432 Neuss
Deutschland
https://global.yamaha-motor.com/
https://www.yamaha-motor.eu/de