Artikelname: GRAPHIK, LUFTSTUTZEN (GRAPHIC, SCOOP AIR SET 2)
Hersteller: Yamaha
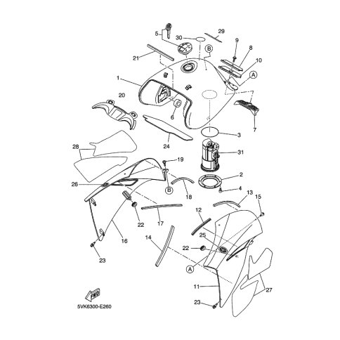
OEM Nummer: 5VK-F137D-60 (5VKF137D60)
Kategorien: Tank
2010
XT660R (XT660R)
Yamaha Motor Co., Ltd.
YAMAHA MOTOR EUROPE N.V.
Hansemannstraße 12, 41468 Neuss
Postfach 21 06 53, 41432 Neuss
Deutschland
https://global.yamaha-motor.com/
https://www.yamaha-motor.eu/de