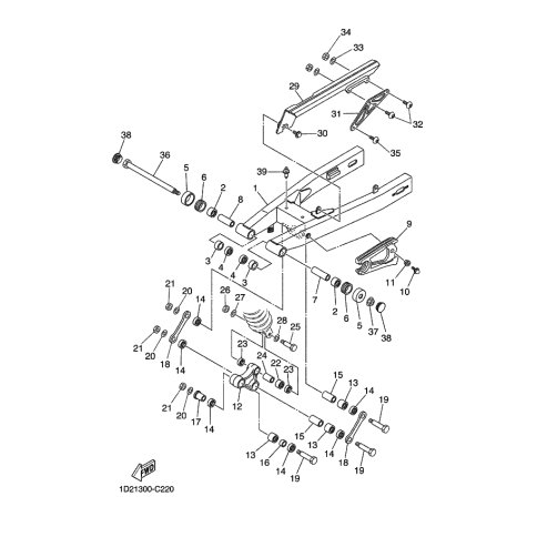
Artikelname: HINTERRADSCHWINGE KOMPL (REAR ARM COMP)
Hersteller: Yamaha
OEM Nummer: 5VK-F2110-10 (5VKF211010)
Kategorien: Heck
2014
XT660R (XT660R)
2011
XT660R (XT660R)
2010
XT660R (XT660R)
2009
XT660R (XT660R)
2008
XT660R (XT660R)
2006
XT660X (XT660X)
2005
XT660X (XT660X)
2004
XT660X (XT660X)
Yamaha Motor Co., Ltd.
YAMAHA MOTOR EUROPE N.V.
Hansemannstraße 12, 41468 Neuss
Postfach 21 06 53, 41432 Neuss
Deutschland
https://global.yamaha-motor.com/
https://www.yamaha-motor.eu/de