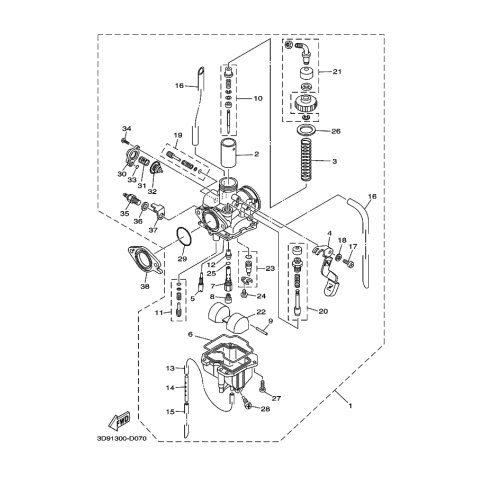
Artikelname: ROHR (PIPE)
Hersteller: Yamaha
OEM Nummer: 5VL-14148-00 (5VL1414800)
Kategorien: Vergaser
2011
YBR125 (YBR125ESD)
2006
YBR125 (YBR125ED)
2005
YBR125 (YBR125ED)
Yamaha Motor Co., Ltd.
YAMAHA MOTOR EUROPE N.V.
Hansemannstraße 12, 41468 Neuss
Postfach 21 06 53, 41432 Neuss
Deutschland
https://global.yamaha-motor.com/
https://www.yamaha-motor.eu/de